
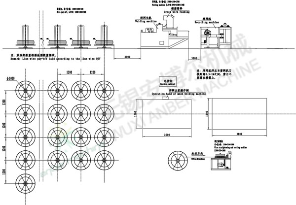
Mesh welding machine
Wire mesh welding machine
Roll mesh welding machine (back view)
Cross wire space auotomatic adust system of automatic roll mesh welding machine
Automatic mesh welding machine (back view)
Model  | 
              ABE-3/5-1200D   | 
              ABE-3/5-1600D  | 
              ABE-3/5-2100D  | 
              ABE-3/5-2500D  | 
            
Line    wire  | 
              3-5mm,    from coil  | 
              3-5mm,    from coil  | 
              3-5mm,    from coil  | 
              3-5mm,    from coil  | 
            
Cross    wire  | 
              3-5mm,    pre-cut  | 
              3-5mm,    pre-cut  | 
              3-5mm,    pre-cut  | 
              3-5mm,    pre-cut  | 
            
Mesh    width  | 
              1200mm   | 
              1600mm  | 
              2100mm  | 
              2500mm  | 
            
Line    wire spacing  | 
              50-100mm   | 
              50-100mm   | 
              50-100mm   | 
              50-100mm   | 
            
Welding    electrode  | 
              24  | 
              32  | 
              40  | 
              48  | 
            
Transformer  | 
              400KVA  | 
              500KVA  | 
              630KVA  | 
              800KVA  | 
            
Cross wire spacing  | 
              50-200mm,    endless adjusted   | 
            |||
Wire diameter   | 
              3.0mm-5.0mm  | 
            |||
Max welding capacity   | 
              5.0+5.0mm with standard quality   | 
            |||
Max welding speed   | 
              30-40 cross wires per min   | 
            |||
Mesh pulling way  | 
              Numerical control   | 
            |||
Cable  | 
              3*95mm2 copper cable or 120mm2 aluminum cable, the distance from the    machine to the transformer should be less than 30m.  | 
            |||
Welding way  | 
              Resistance welding controlled by Silicon-controlled rectifier    (hereinafter called as SCR)   | 
            |||
Welding voltage  | 
              Adjustable in eight different grades through welding transformer   | 
            |||
Pressurizing way  | 
              By changing the length of tie rod in pressurizing beam and the compression    of the upper electrode spring   | 
            |||
Cross wire feeding way  | 
              The cross wire fall off the feeding hopper into welding automatically    one by one driven by step motor   | 
            |||